Output Plug & Cable
Sinpro's switching power supply develops various kinds of output plugs to meet all kinds of applications and equipments. This is why it sometimes occurs the communication problems because we do not have the general description for these different requirements. To reduce the communication mistakes, we set all of the plugs by the different material codes.To all customers: Please note the plugs in blow list do not mean we have them in stock or have the ability to supply them. We only offer this list to be a communication tool for reducing the communication inaccuracy.If you have any question for below list, please do not hesitate to let us know, our sales people will give you the detail answers.Thank you for your concern for our products.

Sort By Number...           Sort By Type...

P00AS&T Cable:
P01NBarrel Female Plug (Straight-Molding type):
成型式
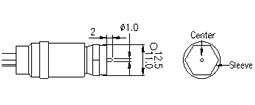
P41ABarrel Female Plug (Straight-Assembly type):
組立式
P02NBarrel Female Plug (Right Angle Type):
P03BAudio plug(Straight Type):
P75AAudio Jack (Female Type):
P04AAudio plug(Right Angle Type):
P05BDin Pin Male Plug(Straight-Molding type):
成型式
P86ADin Pin Male Plug(Straight-Assembly type):
組立式
P61ADin Pin Male Plug(Right Angle-Molding type):
成型式
P61BDin Pin Male Plug(Right Angle-Assembly type):
組立式
P06BDin Pin Female Plug:
P06HDin Pin Female Plug (Assembly type):
組立式
P07BMini Din Male Plug:
P09BPOWER Din Male Plug+Lock(Assembly type):
組立式
P09CPOWER DIN Male Plug (Molding type):
成型式
P09GMin. DIN Male Plug+Lock(Assembly type):
組立式
P16BD-Sub Plug(RS-232 plug) ; MALE:
P17AD-Sub Plug(RS-232 plug) ; FEMALE:
P17JD-SUB COAXIAL CONNECTORS:
P19BSwitchcraft or local equivalent(Assembly type):
組立式
P19HSwitchcraft or local equivalent(Molding Type):
成型式
P13ATelephone Plug:
P14DFemale Type Cigarette Plug:
P18BADAPTER PLUG REPLACEMENT SET:
P22FXLR connector & Microphone:
P24BEIAJ Type (Straight-Molding Type):
成型式
P41KEIAJ Type(Straight-Assembly type):
組立式
P25BEIAJ Type(Right Angle Type):
P44CMale DIN PIN Plug+LOCK (Molding type):
成型式
P44JMale DIN PIN Plug+LOCK (Assembly type):
組立式
P10AHOUSING:
P20DTerminal Block:
P84ATerminal Block (Assembly type):
組立式
P84BTerminal Block (Molding type):
成型式
P64BLUMBERG & BINDER plug:
P69AODU & Lemo & Fischer & Tajimi plug:
P79AHIROSE Plug (Assembly type) or local equivalent:
組立式
P49HHIROSE Plug (Molding Type):
成型式
P62ATE Connector:
P88AUSB series:
P00NTerminals:
P48BDC Power Jack (Molding Type):
P67BAmphenol Plug:
P66AWaterproof Plug:
防水接頭
P23BF & BNC & TNC & RCA CONNECTORS:
P60ASpecial Connectors:
or Supplied by customer
PA3AHeavy Duty Power Connectors:
PA1AField Attachable:
P32ACircular Connectors:
PZ1AComplex Process:
PE1AElectric Vehicle Plug:
PY1AMotor Driver Connectors:
0